Home / Expert Answers / Electrical Engineering / in-the-adjacent-circuit-fed-from-our-low-voltage-network-thyristors-with-e-180v-and-r-2-ohm-are-tri-pa515

(Solved): In the adjacent circuit fed from our low voltage network, thyristors with E=180V and R=2 Ohm are tri ...



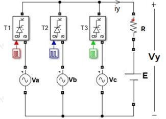
In the adjacent circuit fed from our low voltage network, thyristors with E=180V and R=2 Ohm are triggered with alpha=35 degrees.

Accordingly, calculate the effective value of the load current?
iy_rms=?

a-) 32.23

b-)18.53

c-) 42.33

d-) 24.44

e-) 8.15



We have an Answer from Expert

View Expert Answer

Expert Answer



The correct answer is a-)   

Given:    (peak voltage)   Ohm (load resistance)    degrees


We have an Answer from Expert

Buy This Answer $5

Place Order

We Provide Services Across The Globe